电容器组不平衡保护四种接线方式
电容器组不平衡保护四种接线方式
1、电容器组为单星形接线时常用零序电压保护(单星开口三角电压保护)
并联电容器组连接形成单星不接地方式,在电压互感器形成开口三角。当电容器组任意相电容单元故障时,中性点偏移,电压互感器开口三角处电压增大,当数值大于整定值,保护动作切除故障,实际应用中一般不需设三台电压互感器,利用每相中放电线圈形成开口三角电压保护。接线方式如下图所示:

PT开口三角形上的电压反应电容器组端点对中性点N的零序电压。PT一次绕组兼做电容器组的放电线圈:

10kV单星形并联电容器组连接方式根据电抗器安装位置不同还可分为以下两种常见的一次接线方式。
其中,QS为隔离开关,QE为接地刀闸,F为避雷器,TV为放电线圈,C为电容器单元的串并联组合(以下简称电容器单元组),L为串联电抗器,整组装置经10kV高压电缆连接至电容器开关柜。

虽然设计规范建议电抗器宜位于电源侧,但在工程实践中,多采取图(a)接线方式,尽管不能限制并联电容器组母线侧短路时的系统短路电流,但在限制合闸涌流和抑制谐波方面与图(b)具有相同的效果,经济性较高。
2、电容器组为双星形接线时常用中性线不平衡电流保护(双星中性点不平衡电流保护)
并联电容器组连接形成双星不接地方式,在接线中性点处设置一个电流互感器,即形成双星中性点不平衡电流保护。
当对称的任一桥臂发生电容单元故障,两侧电容也会不对称,随即在中性点处形成不平衡电流,当数值超过整定值时,保护动作切除故障。接线方式如下图:

3、桥式电流保护
并联电容器组连接形成单星不接地方式,架构上形成桥式,每个桥臂装设对称的电容器,并在桥边中点放置电流互感器,即形成桥式电流保护。
当任一相桥臂电容器单元故障时,产生不平衡电流,数值大于整定值时,保护动作切除故障。接线方式如图所示:

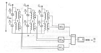
4、电容器组为单星形接线且每相由两组电容器串联组成时常用电压差动保护(相电压差动保护)
并联电容器组连接形成单星形不接地方式,任一相电容器单元先并后串,并把电压互感器二次电压连接,形成相电压差动保护。
当任一串电容器单元故障时,导致段电压不平衡,相间电压差值不断增大,数值大于整定值时,保护动作切除故障,如下图所示:

正常运行时,电容器组两串联段上电压相等,可认为差电压△UA、△UB、△UC均为零(实际存在很小的不平衡电压),保护不动作;
当某相多台电容器切除后(每台电容器具有专用熔断器),两串联段上电压不相等,该相出现差电压,保护动作,如下图所示:

每相电容器等效为两个电容器串联布置的电力电容器装置的电压保护,通常利用放电线圈构成回路接线。
电力电容器装置采用的放电线圈,相当于一个电压互感器。其放电线圈的两个二次绕组采用反极性连接后将“差电压”引入保护装置。由原理接线可知,电容器正常运行时,由于每相电容量相同,在放电线圈二次绕组引起的电压也就相同,使得差电压为零,保护不会动作;当部分电容器出现故障、击穿时,造成放电线圈一次绕组间的电容量不同,引起放电线圈二次电压不相等,将造成差压不为零,当差压超过定值时保护动作出口,将电容器切除。
Tips:相电压差动保护典型错误接法
某现场错误接线如下图2所示。该接线中,将本应独立引入保护装置的接线,错误地连接在了一起,形成一个“虚地点”(零电位点),造成了各相接地点与三相连接点之间的绕组短接。

由于放电线圈相当于一个电压互感器,这样接线就造成了电压互感器的二次短路。电容器带电后,首先造成放电线圈绝缘损坏、放电线圈故障,进而造成电容器上的电压分布严重不均衡,引起过压电容器的击穿,最终导致整组电容器装置的报废。
通过简化接线,如图3所示,更能清晰、直观地反映出接线的错误。

引起此次错误的一部分原因,是验收中对电容器保护功能与回路的验收,没有考虑电容器组相差电压保护二次绕组采用反极性连接后将“差电压”引入保护装置接线的特点,在放电线圈一次侧加压验证回路的正确性。
关于对电容器组相差电压保护二次回路正确性的验证。因放电线圈二次绕组采用反极性接法,使得二次回路正常运行情况下没有电压,其回路正确性与装置功能的验证,不能简单地依照线路保护回路的验证方法,在二次侧进行,而应在放电线圈一次侧加压验证,以便更好地验证参数的均衡性。
5、电容器组在系统运行中异常问题
5.1 500kV和220kV变电站投切主变时,110kV变电站中10kV电容器组过流保护动作跳闸
在500kV和220kV变电站投切主变压器时,110kV变电站中10kV电容器组过流保护动作跳闸。究其原因是电压中的高次谐波,在电容器中产生较大的高谐波电流,造成电容器的过负荷甚至跳闸。
为此,有些厂家的过电流保护推荐使用“电流有效值”不使用“电流的峰-峰值”作为过电流峰值判据。减少500kV和220kV变电站投切主变时,110kV变电站中10kV电容器组过流保护动作跳闸的机会。
5.2 电容器电压保护动作后故障查找方法
实际运行中,电容器电压保护动作可能是由于电容器电容量不平衡、放电线圈性能差异、避雷器击穿、系统电压不平衡、系统电压谐波、放电线圈二次绕组故障等原因引起。在进行故障查找时,需优化检查项目顺序,快速锁定故障元件。
6、《十八项反措》中关于并联电容器相关内容
10.2 防止并联电容器装置损坏事故
10.2.1 设计阶段
10.2.1.1 电容器单元选型时应采用内熔丝结构,单台电容器保护应避免同时采用外熔断器和内熔丝保护。
10.2.1.2 单台电容器耐爆容量不低于15kJ。
10.2.1.3 同一型号产品必须提供耐久性试验报告。对每一批次产品,生产厂家需提供能覆盖此批次产品的耐久性试验报告。
10.2.1.4 高压直流输电系统用交流并联电容器及交流滤波电容器在设计环节应有防鸟害措施。
10.2.1.5 电容器端子间或端子与汇流母线间的连接应采用带绝缘护套的软铜线。
10.2.1.6 新安装电容器的汇流母线应采用铜排。
10.2.1.7 放电线圈应采用全密封结构,放电线圈首、末端必须与电容器首、末端相连接。
10.2.1.8 电容器组过电压保护用金属氧化物避雷器接线方式应采用星形接线、中性点直接接地方式。
10.2.1.9 电容器组过电压保护用金属氧化物避雷器应安装在紧靠电容器高压侧入口处的位置。
10.2.1.10 选用电容器组用金属氧化物避雷器时,应充分考虑其通流容量。避雷器的 2 ms 方波通流能力应满足标准中通流容量的要求。
10.2.1.11 电容器成套装置生产厂家应提供电容器组保护计算方法和保护整定值。
10.2.1.12 框架式并联电容器组户内安装时,应按照生产厂家提供的余热功率对电容器室(柜)进行通风设计。
10.2.1.13 电容器室进风口和出风口应对侧对角布置。
10.2.2 基建阶段
10.2.2.1 并联电容器装置正式投运时,应进行冲击合闸试验,投切次数为3次,每次合闸时间间隔不少于5min。
10.2.2.2 应逐个对电容器接头用力矩扳手进行紧固,确保接头和连接导线有足够的接触面积且接触完好。
10.2.3 运行阶段
10.2.3.1 电容器例行停电试验时应逐台进行单台电容器电容量的测量,应使用不拆连接线的测量方法,避免因拆、装连接线条件下,导致套管受力而发生套管漏油的故障。
10.2.3.2 对于内熔丝电容器,当电容量减少超过铭牌标注电容量的 3%时,应退出运行,避免因电容器带故障运行而发展成扩大性故障。对于无内熔丝的电容器,一旦发现电容量增大超过一个串段击穿所引起的电容量增大时,应立即退出运行,避免因电容器带故障运行而发展成扩大性故障。
10.2.3.3 采用 AVC 等自动投切系统控制的多组电容器投切策略应保持各组投切次数均衡,避免反复投切同一组,而其他组长时间闲置。电容器组半年内未投切或近 1 个年度内投切次数达到 1000 次时,自动投切系统应闭锁投切。对投切次数达到 1000 次的电容器组连同其断路器均应及时进行例行检查及试验,确认设备状态完好后应及时解锁。
10.2.3.4 对安装 5 年以上的外熔断器应及时更换。
10.2.3.5 对已运行的非全密封放电线圈应加强绝缘监督,发现受潮现象时应及时更换。
10.2.3.6 电容器室运行环境温度超过并联电容器装置所允许的最高环境温度时,应进行通风量校核,对不满足消除余热要求的,应采取通风降温措施或实施改造。